
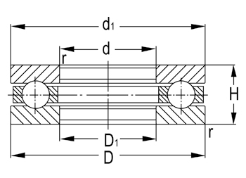
Thrust ball bearings are widely used in machine tools, automobiles, aircraft and other high-speed rotation and bearing large axial load equipment.
| select | Inquiry | Designation | Principal Dimensions(mm) | Basic Load Ratings(KN) | Limited Speed(rpm) | Weight | ||||
|---|---|---|---|---|---|---|---|---|---|---|
| d | D | T | Dynamic(Cr) | Static(Cor) | Grease | Oil | (kg) | |||
| 51203 | 17 | 35 | 12 | 17 | 27.2 | 4500 | 6300 | 0.048 | ||
| 51204 | 20 | 40 | 14 | 22.2 | 37.5 | 3800 | 5300 | 0.075 | ||
| 51205 | 25 | 47 | 15 | 27.8 | 50.5 | 3400 | 4800 | 0.11 | ||
| 51206 | 30 | 52 | 16 | 28 | 54.2 | 3200 | 4500 | 0.13 | ||
| 51207 | 35 | 62 | 18 | 39.2 | 78.2 | 2800 | 4000 | 0.21 | ||
| 51208 | 40 | 68 | 19 | 47 | 98.2 | 2400 | 3600 | 0.26 | ||
| 51209 | 45 | 73 | 20 | 47.8 | 105 | 2200 | 3400 | 0.3 | ||
| 51210 | 50 | 78 | 22 | 48.5 | 112 | 2000 | 3200 | 0.37 | ||
| 51211 | 55 | 90 | 25 | 67.5 | 158 | 1900 | 3000 | 0.58 | ||
| 51212 | 60 | 95 | 26 | 73.5 | 178 | 1800 | 2800 | 0.66 | ||
| 51213 | 65 | 100 | 27 | 74.8 | 188 | 1700 | 2600 | 0.72 | ||
| 51214 | 70 | 105 | 27 | 73.5 | 188 | 1600 | 2400 | 0.75 | ||
| 51215 | 75 | 110 | 27 | 74.8 | 198 | 1500 | 2200 | 0.82 | ||
| 51216 | 80 | 115 | 28 | 83.8 | 222 | 1400 | 2000 | 0.9 | ||
| 51217 | 85 | 125 | 31 | 102 | 280 | 1300 | 1900 | 1.21 | ||
| 51218 | 90 | 135 | 35 | 115 | 315 | 1200 | 1800 | 1.65 | ||
| 51220 | 100 | 150 | 38 | 132 | 375 | 1100 | 1700 | 2.21 | ||
| 51222 | 110 | 160 | 38 | 138 | 412 | 1000 | 1600 | 2.39 | ||